Всегда рады сотрудничеству

Заявки принимаются  Пн-Пт c 9:00 до 18:00

ПРОИЗВОДСТВО СКРЕБКОВ ИЗ ФТОРОПЛАСТА , ПОЛИАМИДА (капролон) и других

 ПОЛИМЕРНЫХ МАТЕРИАЛОВ.


ИЗГОТОВИМ ПО ЧЕРТЕЖАМ 

ИЛИ РАЗРАБОТАЕМ ПОД ВАШ ЗАПРОС.

Наше предприятие специализируется на изготовление изделий из  инженерных пластмасс (фторопласт, полиамид, полиацеталь, полиэтилен и др.) методом механической обработки. Опытный коллектив инженерно-технического персонала имеет богатый опыт в производстве и проектирование,  наличие полного комплекса современного оборудования позволяет быстро и качественно решать поставленные перед нами задачи в короткие сроки.
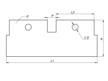
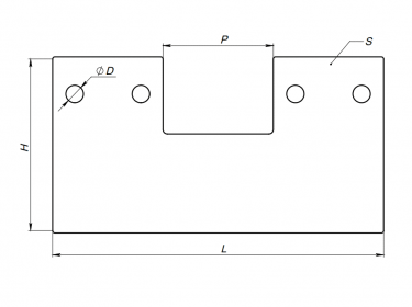
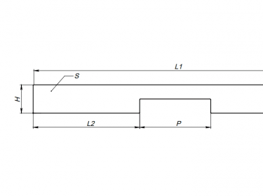
Скребки  любой сложности.







Оформите заказ любым для Вас удобным способом.

                          ООО "ДГС Нова Групп"

  • Закажите расчёт Вашей заявки по электронной почте :
  •   почтовый адрес :   op@dgs-ft.ru
  • Обратитесь к нашим менеджерам по телефонам :
  •                                       +7 4722 40 86 40
  •                                      +7 920 580 99 25
  •                                      +7 929 000 82 93
  • WhatsApp/Viber :      +7 929 000 82 93
  • Юридический адрес : 308033,Белгородская обл.
  • Белгород , проспект Ватутина 22Б, блок 1, офис 1.
  • Реквизиты:        ИНН/КПП 3123468348/312301001
  •                               ОГРН 1203100005790
  •                                Р/с 40702810616160000398
  •                                Кор.счёт 30101810145250000411
  •                                                     БИК банка 044525411
  • Филиал&nbsp"Центральный" Банк ВТБ (ПАО) г.Москва